مقدمة
في الوقت الراهن، تُعَدّ عناصر العرض جزءًا أساسيًا من أي جهاز إلكتروني، حيث تُسهل تفاعل المستخدم مع الجهاز بشكل كبير. تتوفر العديد من الخيارات والأنواع لهذه العناصر التي يمكن استخدامها في مشاريعك القادمة، بدءًا من شاشات العرض ذات الأجزاء السبعة (Seven Segment) إلى شاشات LCD وحتى الصور المجسمة. في هذا المقال، سنناقش أحد العناصر التي استخدمت في الصناعة لعقود، وهو شاشة العرض ذات الأجزاء السبعة (Seven Segment).
تم تصميم شاشات العرض المكونة من سبعة أجزاء لعرض القيم الرقمية، حيث يمكن العثور عليها في أي مكان، من الأدوات الكهرومنزلية . تُعَدّ هذه الشاشات من أكثر الطرق شيوعًا لعرض القيم الرقمية، لأنها رخيصة وسهلة الاستخدام، وتُقْرَأ بسهولة في أي حالة إضاءة. على عكس شاشات LCD، يمكن العثور على شاشات العرض ذات الأجزاء السبعة في العديد من الاستخدامات اليومية مثل العدادات، الموازين الإلكترونية، والساعات الرقمية الكبيرة، وغيرها.
ما هي شاشة السبع قطع (7-segment) ؟
شاشة العرض ذات الأجزاء السبعة تتألف من ثمانية مصابيح LED، حيث يُشار إلى كل مصباح LED على أنه مقطع، وذلك لأنه عند إضاءته يشكل جزءًا من رقم. يمكن تشغيل أو إطفاء كل مصباح بشكل منفصل عن طريق إعطاء القطب المقابل إشارة HIGH أو LOW، تمامًا كما يحدث مع أي مصباح LED عادي. من خلال تشغيل المصابيح المناسبة، يمكن استخدام هذه الشاشة لعرض الأرقام من 0 إلى 9 وبعض الحروف الأبجدية مثل E، A، H، P، وغيرها.
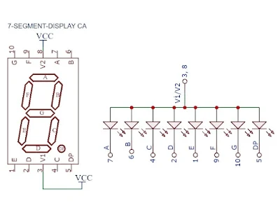
تتألف شاشة العرض ذات الأجزاء السبعة من ثمانية مصابيح LED. سبعة من هذه المصابيح مرتبة على شكل خطوط لتشكيل رقم "8"، والمصباح الثامن عبارة عن دائرة للإشارة إلى الفاصلة العشرية. كل مصباح LED يحتوي على قطبين، موجب وسالب. الأقطاب الموجبة يتم إخراجها مباشرة من العبوة البلاستيكية وتُرقم بالأحرف من "A" إلى "G". أما الأقطاب السالبة لكل مصباح، فتُوصَل معًا لتشكيل قطب مشترك واحد.
أقطاب شاشة العرض (Seven Segment)
تحتوي شاشة العرض ذات الأجزاء السبعة (Seven Segment) على 10 أقطاب حيث يتم توصيل القطب المشترك (com) إما في حالة السالب مشترك مع GND أو حالة الموجب مشترك مع VCC على حسب نوع الشاشة، أما أقطاب a و b و c و d و e و f و g و DP يتم توصيلها مع الأقطاب الرقمية الموجودة في Arduino لتشغيل الشاشة من خلال إضاءة المصابيح الفردية يمكنك إنشاء أي رقم.
أنواع شاشة العرض (Seven Segment)
1- الموجب مشترك Common Anode (CA)
في نوع شاشة ذات المصاعد المشتركة، يتم توصيل جميع أقطاب المصعد Anode معًا لكل المصابيح LED ويتم توصيلها بـ Vcc بشكل دائم خارجياً ويتم التحكم في مصابيح LED عبر أقطاب المهابط Cathode من خلال إعطاءها إشارة LOW ليتم تشغيلها و HIGH ليتم إطفاءها.
2- السالب مشترك Common Cathode (CC)
في نوع شاشة ذات المهابط المشتركة، يتم توصيل جميع أقطاب الهابط Cathode معًا لكل المصابيح LED ويتم توصيلها بـ GND بشكل دائم خارجياً ويتم التحكم في مصابيح LED عبر أقطاب المصاعد Anode من خلال إعطاءها إشارة HIGH ليتم تشغيلها و LOW ليتم إطفاءها.
كيفية استخدام شاشة العرض (Seven Segment)
- R = مقاومة المصباح LED.
- Vs = مصدر الجهد.
- VLED = جهد تشغيل المصباح LED.
- ILED = تيار الذي يستهلكه المصباح LED.
- نوع العرض: مصابيح LED ذات 7 قطع إما سالب مشترك أو موجب مشترك
- تعدد الالوان: تتوفر بألوان مختلفة مثل الأحمر والأخضر والأصفر.
- الأبعاد: الأحجام الشائعة تتراوح من 0.3 بوصة إلى 2.3 بوصة.
- جهد التشغيل: الجهد التشغيل هو الجهد المطلوب لتشغيل مصباح LED، ويختلف بناءً على لون LED.
- تيار التشغيل: التيار التشغيل هو مقدار التيار المطلوب لإعطاء مصباح LED أقصى سطوع له.





.png)
.png)
💬 اترك تعليق